Adder / Penjumlah
Rangkaian adder atau penjumlah menggunakan op-amp merupakan konfigurasi op-amp sebagai penguat dengan diberikan input lebih dari satu untuk menghasilkan sinyal output yang linier sesuai dengan nilai penjumlahan sinyal input dan faktor penguatan yang ada. Pada umumnya rangkaian adder merupakan rangkaian penjumlah dasar yang disusun dengan penguat inverting atau non-inverting yang diberikan input lebih dari 1 line.
Rangkaian Adder/Penjumlah Inverting
Pada operasi adder secara inverting, sinyal input (V1, V2, V3) diberikan ke
line input penguat inverting berturut-turut melalui R1, R2, R3. Besarnya
penjumlahan sinyal input tersebut bernilai negatif karena penguat operasional dioperasikan pada mode inverting.
Besarnya penguatan tegangan tiap sinyal input mengikuti nilai perbandingan Rf dan masing-masing resistor input (R1, R2, R3). Masing-masing tegangan output (Vout) dari penguatan masing-masing sinyal tersebut secara matematis dapat dituliskan sebagai berikut :
Rumus besarnya tegangan output (Vout) dari rangkaian adder non-inverting di atas sebagai berikut :
Op-amp sebagai penguat dapat difungsikan untuk melakukan operasi matematik seperti penjumlahan dan pengurangan terhadap sinyal masukan yang diberikan. Penguat adder berfungsi untuk menguatkan hasil operasi penjumlahan dari dua atau lebih sinyal masukan yang diberikan. Penguat adder juga sering disebut sebagai penguat summing. Pada dasarnya rangkaian dari penguat adder berupa penguat inverting yang diberi tambahan resistor untuk beberapa sinyal pada masukannya.
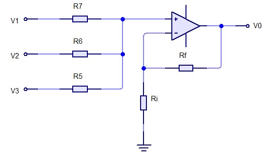
Rangkaian Adder/Penjumlah Non-Inverting
Rangkaian adder non-inverting memiliki penguatan tegangan yang tidak melibatkan nilai resistansi input yang digunakan. Oleh karena itu dalam rangkaian adder non-inverting nilai resistor input (R1, R2, R3) sebaiknya bernilai sama persis. Hal ini bertujuan untuk mendapatkan kestabilan dan akurasi penjumlahan sinyal yang diberikan ke rangkaian. Pada rangkaian adder non-inverting di atas sinyal input (V1, V2, V3) diberikan ke jalur input melalui masing-masing resistor input (R1, R2, R3). Besarnya penguatan tegangan pada rangkaian adder non-inverting di atas di atur oleh resistor feedback (Rf) dan resistor inverting (Ri). Rumusnya sebagai berikut :
Setelah mengetahui nilai penguatan tegangan pada rangkaian adder non-inverting, berikut rumus besarnya tegangan output (Vout) rangkaian secara matematis :
Rangkaian adder non-inverting jarang digunakan dalam aplikasi rangkaian elektronika karena nilai outputnya adalah hasil kali rata-rata tegangan input dengan faktor penguatan (Av) sehingga nilai penjumlahan tegangan merupakan hasil rata-rata sinyal input dan penguatan tegangan belum sesuai dengan kaidah penjumlahan.








No comments:
Post a Comment